ESP-12F(WT8266-S5) WiFi 模块是由启明云端科技开发的、低功耗高性价比的嵌入式无线网络控制模块。可满足智能电网、楼宇自动化、安防、智能家居、远程医疗等物联网应用的需求。
该模块核心处理器 ESP8266 在较小尺寸封装中集成了业界领先的 Tensilica L106 超低功耗 32 位微型 MCU,带有 16 位精简模式,主频支持 80 MHz 和 160 MHz ,支持 RTOS,集成 Wi-Fi MAC/ BB/RF/PA/LNA,板载天线。
该模块支持标准的 IEEE802.11 b/g/n 协议,完整的 TCP/IP 协议栈。用户可以使用该模块为现有的设备添加联网功能,也可以构建独立的网络控制器。
主要特性
采用 SMD-22 封装
板载 PCB 天线
工作电压:3.3V
工作环境温度:-20-85°C
CPU Tensilica L106
RAM 50KB(可用)
Flash 32Mbit
系统
802.11 b/g/n
内置 Tensilica L106 超低功耗 32 位微型 MCU,带有 16 位精简模式,主频支持 80 MHz 和 160 MHz ,支持 RTOS
Wi-Fi@2.4 GHz,支持 WEP/WPA-PSK/WPA2-PSK 安全模式
超小尺寸模组 24mm*16mm*3mm(±0.2mm)
内置 10 bit 高精度 ADC
内置 TCP/IP 协议栈
内置 TR 开关、balun 、LNA、功率放大器和匹配网络
深度睡眠保持电流为 20uA,关断电流小于 5uA
串口速率最高可达 4Mbps
待机状态消耗功率小于 1.0mW (DTIM3)
支持 AT 远程升级及云端 OTA 升级
支持 STA/AP/STA+AP 工作模式
硬件规格
1
系统框图
图-1 系统框图

2
引脚描述
图-2 产品引脚图
表-1 引脚定义及描述
注意:
表-2 启动模式
注意:部分引脚已经内部上拉,请参考原理图
表-3 接口说明

3
电气特性
01
最大额定值
表-4 最大额定值

02
建议工作环境
表-5 建议工作环境

03
数字端口特征
表-6 数字端口特征

4
功耗
01
运行功耗
表-7 运行功耗

注释:RX 模式传输数据包长为 1024 字节;
02
待机功耗
表-8 待机功耗

注①: Modem-Sleep 用于需要 CPU一直处于工作状态如 PWM 或 I2S 应用等。在保持 WiFi 连接时,如果没有数据传输,可根据 802.11 标准 (如 U-APSD),关闭 WiFi Modem 电路来省电。例如,在 DTIM3 时,每 sleep 300mS,醒来 3mS 接收 AP 的 Beacon 包等,则整体平均电流约 20mA。
注②: Light-Sleep 用于 CPU 可暂停的应用,如 WiFi 开关。在保持 WiFi 连接时,如果没有数据传输,可根据 802.11 标准 (如 U-APSD),关闭 WiFi Modem 电路并暂停 CPU 来省电。例如,在 DTIM3 时,每 sleep 300 ms,醒来 3ms 接收 AP 的 Beacon 包等,则整体平均电流约 2 mA。
注③: Deep-Sleep 不需一直保持 WiFi 连接,很长时间才发送一次数据包的应用,如每 100 秒测量一次温度的传感器。例如,每 300 s 醒来后需 0.3s - 1s 连上 AP 发送数据,则整体平均电流可远小于 1 mA。
以上功耗数据是基于 3.3V 的电源、25°的环境温度下 ,所有发射数据是基于 90% 的占空比,在持续发射的模式下测得的。
5
RF 特性
01
无线局域网射频配置及通用规格
表-9 无线局域网射频配置及通用规格

02
射频发射特性
表-10 射频发射特性

03
射频接收特性
表-11 射频接收特性

应用说明
1
模块尺寸

图-4 模块尺寸
2
回流焊曲线图

3
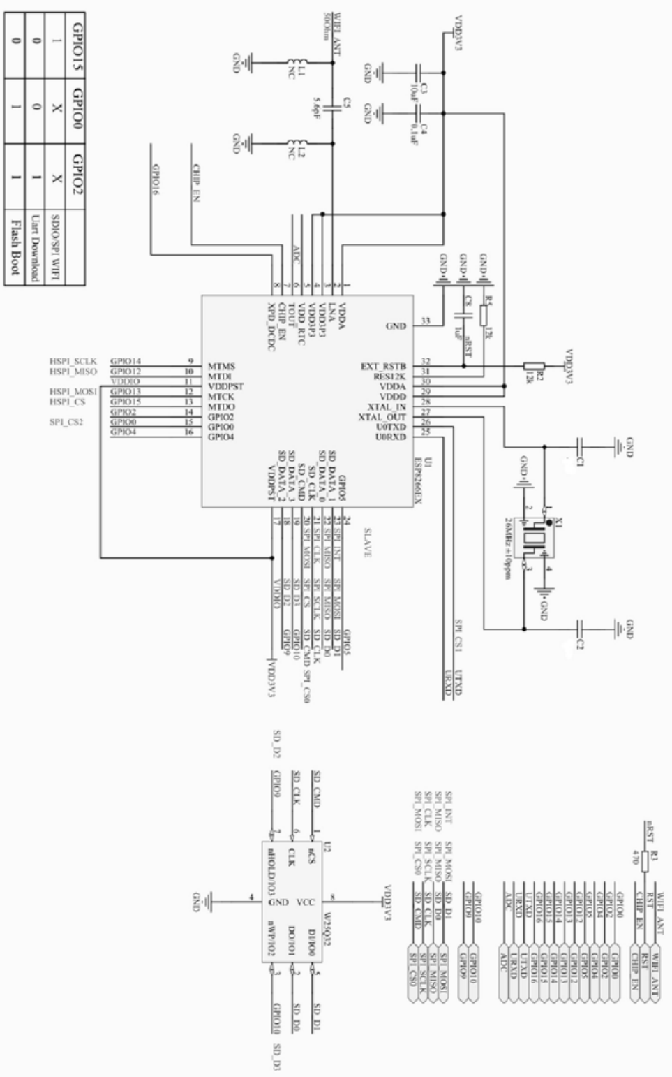
原理图

图-7 ESP-12F(WT8266-S5)原理图
认证

图-8 FCC 认证扫描图

图-10RED CE0700 认证扫描图

图-11RoHS 认证扫描图